雙凹透鏡與平凹透鏡類似,焦距為負,可是平行入射的光線向外發散,雙凹透鏡的兩個側面曲率半徑相等,一般用于擴束光線,和投影等。
原理
雙凹透鏡成像的幾何作圖與凸透鏡者原則相同。從物體的頂端亦作為兩條直線:一條平行于主光軸,經過雙凹透鏡后偏折為發散光線,將此折射光線相反方向返回至主焦點;另一條通過透鏡的光學中心點,這兩條直線相交于一點,此為物體的像。
雙凹透鏡與平凹透鏡的區別
凸凹透鏡用于近視鏡;凹凸透鏡用于老花鏡;平凸透鏡用于儀器或放大;平凹透鏡用于儀器。
平凹透鏡是指一面凹、一面平的透鏡,而雙凹透鏡則是兩面都凹的透鏡。
用途
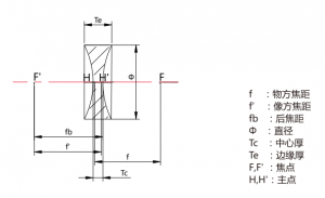
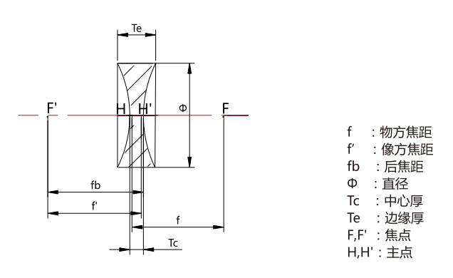
其兩面曲率中心之連線稱為主軸,其中央之點O稱為光心。通過光心的光線,無論來自何方均不折射。平行主軸之光束,照于凹透鏡上折射后向四方發散,逆其發散方向的延長線,則均會于與光源同側之一點F,其折射光線恰如從F點發出,此點稱為虛焦點。在透鏡兩側各有一個。雙凹透鏡又稱為發散透鏡。凹透鏡的焦距,是指由焦點到透鏡中心的距離。透鏡的半徑越大其焦距越長,如為薄透鏡,則其兩側之焦距相等。
在光疏介質中使用時,能對入射光束起發散作用,故又稱發散透鏡。又因其焦距為負,又稱負透鏡。對薄的凹透鏡,成像公式、橫向放大率公式和符號法則均與凸透鏡同。
雙凹透鏡所成的像總是小于物體的、直立的虛像,雙凹透鏡主要用于矯正近視眼。近視眼主要是由于晶狀體的變形,導致光線過早的集合在了視網膜的前面。雙凹透鏡則起到了發散光線的作用,雙凹透鏡成一個正立、縮小的虛像,,使像距變長,恰好落在視網膜上。
產品參數

常規型號
直徑(mm) | 焦距(mm) | 后焦距(mm) | 中心厚度(mm) | 邊緣厚度(mm) | 曲率半徑(mm) | |
| 6.0 | -6.0 | -6.4 | 1.5 | 2.5 | -9.7 | |
| 9.0 | -9.0 | -9.5 | 2.0 | 3.4 | -14.7 | |
| 12.7 | -15.0 | -15.8 | 3.0 | 4.7 | -24.0 | |
| 12.7 | -50.0 | -51.1 | 3.5 | 4.3 | -52.1 | |
| 25.4 | -25.0 | -25.8 | 3.0 | 7.2 | -3.6 | |
| 25.4 | -50.0 | -51.0 | 3.0 | 6.1 | -52.0 | |
| 25.4 | -75.0 | -76.1 | 3.5 | 5.6 | -77.9 | |
| 50.0 | -100.0 | -101.6 | 5.0 | 11.3 | -104.55 | |
| 50.0 | -125.0 | -126.6 | 5.0 | 9.95 | -130.48 | |
| 75.0 | -150.0 | -151.8 | 5.0 | 14.42 | -156.57 | |